The QSFX-150 De-stoner is a grain sorting device that utilizes the density difference between the material and the adjacent stones. Through the combined action of table vibration and airflow, it effectively separates the adjacent stones from the material. Its fully enclosed negative pressure structure design effectively controls dust in the workshop while efficiently removing stones, improving the quality of the working environment.

1. Environmentally Friendly and Dust-Free
The fully enclosed negative pressure design prevents dust leakage during operation, significantly improving the working environment and meeting environmental protection production requirements.
2. Multi-functional
The screen frame and screen mesh can be quickly replaced, easily handling various materials such as wheat, beans, and sesame, improving the flexibility and utilization rate of the equipment.
3. High Efficiency and Adjustability
The screen inclination angle and vibration angle are adjustable, allowing for optimized sorting effects based on material characteristics, increasing output while ensuring destone removal rate.
4. Stable Operation
The finished product and stone outlets are specially designed for smooth, unblocked discharge; the overall structure is robust, ensuring stable and reliable long-term operation.
5. Simple Operation
Equipped with a back-blowing observation window and an adjustable handle, along with a manual air valve controller, it allows for convenient and precise adjustment of airflow and back-blowing opening, reducing the difficulty of debugging and operation.
Applicable Material Range
The grain de-stoner is suitable for destoning and refining of various granular grains such as wheat, rice, corn, mung beans, soybeans, kidney beans, and sesame.
| Name | De-stoner |
| Model | QSFX-150 |
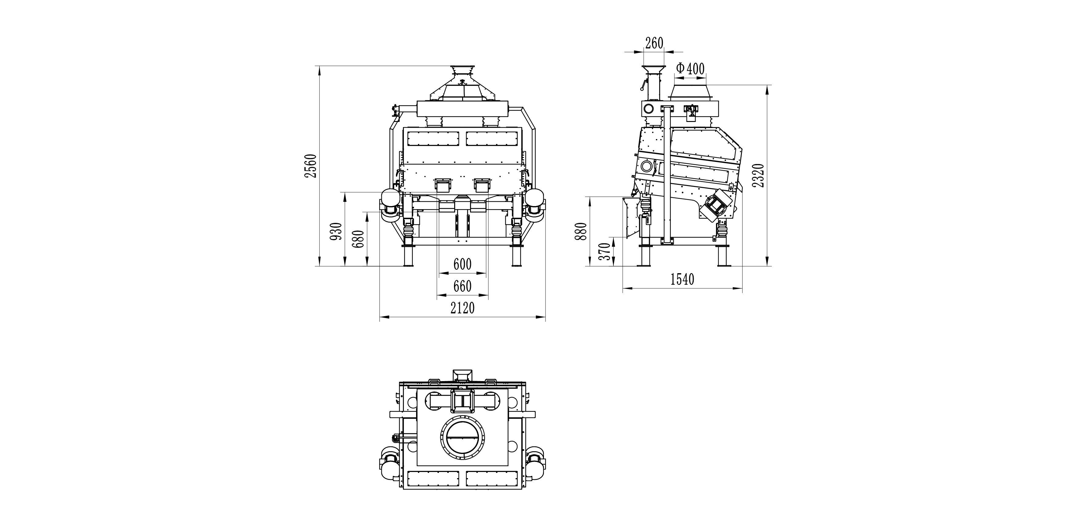
| Sieve size (mm) | 1500*1085 |
| Power (kw) | 0.65 |
| Capacity (T/H) | 16-22 |
| Weight (T) | 690 |
| Overall size L x W x H (mm) | 1540*2120*2560 |
| Remark | Negative pressure |
Processing demand survey
x